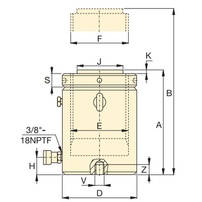
| 型号 | 承载能力 | 有效行程 | 本体高度A | 液压油量 | 油缸外径D | 柱塞直径F | 标准鞍座直径J | 重量 | 倾斜式鞍座参数说明 | ||
| ton(kN) | mm | mm | cm³ | mm | 螺纹 | mm | kg | 直径mm | 高度mm | 订货型号 | |
| HYDRFC-HCL502 | 56(550) | 50 | 164 | 393 | 130 | Tr100x4 | 71 | 17 | 71 | 24 | HCAT50 |
| HYDRFC-HCL506 | 150 | 264 | 1179 | 27 | |||||||
| HYDRFC-HCL5012 | 300 | 414 | 2358 | 43 | |||||||
| HYDRFC-HCL1002 | 102(1002) | 50 | 187 | 716 | 175 | Tr135x6 | 71 | 36 | 71 | 24 | HCAT100 |
| HYDRFC-HCL1006 | 150 | 287 | 2148 | 55 | |||||||
| HYDRFC-HCL10012 | 300 | 437 | 4296 | 83 | |||||||
| HYDRFC-HCL1502 | 153(1497) | 50 | 209 | 1069 | 215 | Tr165x6 | 130 | 60 | 130 | 19 | HCAT150 |
| HYDRFC-HCL1506 | 150 | 309 | 3207 | 88 | |||||||
| HYDRFC-HCL15012 | 300 | 459 | 6414 | 130 | |||||||
| HYDRFC-HCL2002 | 202(1985) | 50 | 238 | 1418 | 250 | Tr190x6 | 130 | 86 | 130 | 19 | HCAT200 |
| HYDRFC-HCL2006 | 150 | 338 | 4254 | 125 | |||||||
| HYDRFC-HCL20012 | 300 | 488 | 8508 | 183 | |||||||
| HYDRFC-HCL2502 | 259(2541) | 50 | 249 | 1816 | 280 | Tr215x6 | 150 | 120 | 150 | 19 | HCAT250 |
| HYDRFC-HCL2506 | 150 | 349 | 5448 | 168 | |||||||
| HYDRFC-HCL25012 | 300 | 499 | 10896 | 240 | |||||||
| HYDRFC-HCL3002 | 310(3036) | 50 | 278 | 2169 | 305 | Tr235x6 | 140 | 158 | 195 | 73 | HCAT300 |
| HYDRFC-HCL3006 | 150 | 378 | 6507 | 216 | |||||||
| HYDRFC-HCL30012 | 300 | 528 | 13014 | 300 | |||||||
| HYDRFC-HCL4002 | 409(4008) | 50 | 317 | 2863 | 350 | Tr270x6 | 159 | 236 | 225 | 85 | HCAT400 |
| HYDRFC-HCL4006 | 150 | 417 | 8589 | 311 | |||||||
| HYDRFC-HCL40012 | 300 | 567 | 17178 | 426 | |||||||
| HYDRFC-HCL5002 | 522(5115) | 50 | 357 | 3653 | 400 | Tr305x6 | 179 | 341 | 250 | 91 | HCAT500 |
| HYDRFC-HCL5006 | 150 | 457 | 10959 | 439 | |||||||
| HYDRFC-HCL50012 | 300 | 607 | 21918 | 588 | |||||||
| HYDRFC-HCL6002 | 611(5988) | 50 | 380 | 4276 | 430 | Tr330x6 | 194 | 426 | 275 | 99 | HCAT600 |
| HYDRFC-HCL6006 | 150 | 480 | 12828 | 540 | |||||||
| HYDRFC-HCL60012 | 300 | 630 | 25656 | 711 | |||||||
| HYDRFC-HCL8002 | 830(8150) | 50 | 430 | 5821 | 505 | Tr385x6 | 224 | 668 | 320 | 124 | HCAT800 |
| HYDRFC-HCL8006 | 150 | 530 | 17463 | 826 | |||||||
| HYDRFC-HCL80012 | 300 | 680 | 34926 | 1061 | |||||||
| HYDRFC-HCL10002 | 1085(10644) | 50 | 484 | 7603 | 570 | Tr440x6 | 249 | 959 | 360 | 136 | HCAT1000 |
| HYDRFC-HCL10006 | 150 | 584 | 22809 | 1160 | |||||||
| HYDRFC-HCL100012 | 300 | 734 | 45618 | 1460 | |||||||
上一个:双作用螺母锁定液压油缸
下一个:大吨位双作用液压油缸